PRODUCTS
功能特性
針對機器視覺工業距離優化設計
高分辨率,畫面清晰度一致性高
畸變小,邊緣亮度高
S接口(M12*0.5),易于系統集成
訂貨型號
MVL-HF1228-05S
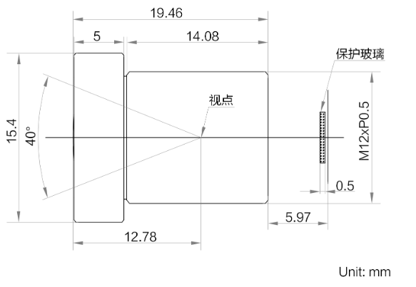
外形尺寸

| 型號 | 型號 | MVL-HF1228-05S |
| 名稱 | 12mm,F2.8,1/1.8",500萬分辨率,M12接口鏡頭 | |
| 性能 | 焦距 | 12 mm |
| F數 | F2.8 | |
| 像面尺寸 | Φ9 mm(1/1.8'') | |
| TV畸變 | <0.2% | |
| 工作距離范圍 | 100 ~ 850 mm | |
| 視場角 | D(8.86 mm):41° H(7.37 mm):34° V(4.91 mm):23° | |
| 結構 | 接口類型 | S-Mount |
| TTL | 25.4 ~ 26.9 mm | |
| 外形尺寸 | Φ15.4 mm×19.46 mm | |
| 溫度 | -10 ~ 50℃ | |
| 一般規范 | 認證 | RoHS2.0 |